产品中心

Products

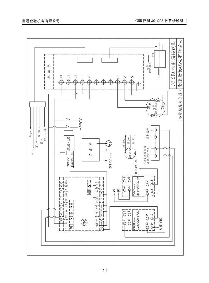
竹节纱装置

       随着人们对穿着、环境装饰的进一步要求,竹节纱布受到普遍青睐。我们现在可以根据用户需求,人为产生有规律、无规律、模糊纺竹节、智能纺的竹节纱,布料有明显的竹节风格,凹凸感强,层次性好,尤其是经过印染工艺处理后,立体感更强,色彩更丰富,适用做各种高档面料,从而使得专纺竹节纱成为一种市场要求。
 
JC-SF型竹节纱装置

        专业用于环锭纺、转杯纺及毛纺,涵盖多种竹节纱。环锭纺可纺:有规律、无规律、多层次模糊竹节纱、氨纶包芯竹节纱、彩点竹节纱、AB竹节纱、涤纶竹节包芯、锦纶长丝包芯竹节纱等系列产品。
特点:
1、装置设计精巧独到,结构合理,不破坏原机结构。
2、节长、节距、节粗在同一根纱线上任意设置,风格多样。
3、模糊纺纱:循环无限量次;智能纺纱:专家参数自行设定,纱线风格简捷明快,布面竹节分布优美、自然、永不重叠。
4、粗节陡度,任意修整,竹节形状多样。
5、大容量储存,有50组、200组、500组及以上可供选择。
6、随机提供AB纱,断彩竹节软件系统,为您的产品升级奠定基础。
7、电器出现故障,控制系统即报警,同时细纱机自动停车,防止不合格竹节纱出现。
8、开关车或突然停电,不会出现断头现象,高低速竹节纱风格一致。
9、竹节纱,普通纱,切换简捷,无须拆换任何部件,只要关掉竹节纱控制电源即可。
10、办公室集中下单。

       变支变捻竹节纱装置是在原竹节纱装置上的升级,实现竹节部分加捻,极大地提高了单纱强力及竹节部分的光洁度,减少了毛羽。























下一个产品: 细络联,细络联改造
上一个产品: 超柔软纱装置、双芯纱装置